湖北五岳传感器有限公司是中国高温熔体压力传感器的诞生公司 致力于高温熔体压力传感器,高温熔体压力变送器,智能压力数显仪表的生产研发,20年品质保证

产品展示

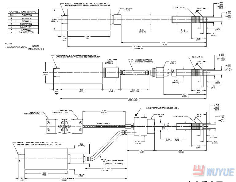
  • TPT463E高温熔体压力传感器(high temperature melt pressures sensor)

    TPT463E高温熔体压力传感器(high …

    特性: ★ 装有J型热电耦,可以同点测量温度 内部80%校验 ★ 热电耦可以在现场拆卸和更换 量程 从0-500psi到0-30,000psi ★ 具有柔性管,使应变片外壳远离高温区 良好的稳定性和重复性 ★ 精度:高于0.5% 通过CE认证 输出:满量程3.33mV/V 热电阻和其它类型热电耦可以选配 T…

  • TPT463XL高温熔体压力传感器 (high temperature melt pressure sensor)

    TPT463XL高温熔体压力传感器 (hig…

    特性: ★ 装有J型热电耦,可以同点测量温度 ★ 热电耦可以在现场拆卸和更换 ★ 具有柔性管,可使应变片外壳远离高温区 ★ 热电阻和其他类型热电耦可以选配 ★ 其他特性与PT460XL相同 TPT463XL高温熔体压力传感器 (high temperature melt pressure sensor)

  • TPT432A高温熔体压力传感器(high temperature melt pressure sensor)

    TPT432A高温熔体压力传感器(high …

    特性: ★ 装有J型热电耦,可以同点测量温度 输出:满量程3.33mV/V 通过CE认证 ★ 热电耦可以在现场拆卸和更换 内部80%校验 热电阻和其它类型热电耦 ★ 具有柔性管,使应变片盒远离高温区 量程:从0-500psi到0-30,000psi 可以选配 ★ 精度: 0.25% 热稳定性和重复性精度高 TP…

  • TPT412高温熔体压力传感器(high temperature melt pressure sensor)

    TPT412高温熔体压力传感器(high t…

    特性: ★ 装有热电耦,可以同点测量温度 ★ 热电耦可以在现场拆卸和更换 ★ 具有柔性管,使应变片盒远离高温区 ★ 其它特性与PT410相同 TPT412高温熔体压力传感器(high temperature melt pressure sensor)

  • TPT412高温熔体压力传感器(high temperature melt pressure sensor)

    TPT412高温熔体压力传感器(high t…

    特性: ★ 装有热电耦,可以同点测量温度 ★ 热电耦可以在现场拆卸和更换 ★ 具有柔性管,使应变片盒远离高温区 ★ 其它特性与PT410相同 TPT412高温熔体压力传感器(high temperature melt pressure sensor)

«12345...7»